手動法蘭式伸縮蝶閥適用于溫度≤80℃,公稱壓力≤1.6MPa的食品、醫藥、化工、石油、電力、輕紡、造紙等給排水、氣體管道上作調節流量和截流介質的作用,具有補償管道熱脹冷縮的功能。其主要特點為:
設計新穎,合理,結構獨特,重量輕,操作方便,啟閉迅速;
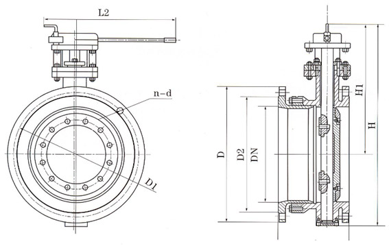
伸縮蝶閥除了能作調節和截流作用,補償管道溫差所產生的熱脹冷縮功能外,還能為安裝更換、維修提供方便;
密封部位可調節更換,密封性能可靠等特點。
設計標準:GB/T12238-1989
法蘭連接尺寸:GB/T9113.1-2000; GB/T9113.2-2000; GB/T9115.1-2000; GB/T9115.2-2000
壓力試驗:GB/T 13927-1992; JB/T 9092-1999
| 公稱通徑 | DN | 50~2000 | ||
|---|---|---|---|---|
| 公稱壓力 | PN | 0.6 | 1.0 | 1.6 |
| 試驗壓力 | 強度實驗 | 0.9 | 1.5 | 2.4 |
| 密封實驗 | 0.66 | 1.1 | 1.76 | |
| 氣密封實驗 | 0.6 | 0.6 | 0.6 | |
| 使用溫度 | ≤80℃ | |||
| 適應介質 | 空氣、水、蒸汽、煤氣、油品等 | |||
| 驅動形式 | 手動、蝸桿蝸輪傳動、氣傳動、電傳動 | |||
| 零件名稱 | 材料 |
|---|---|
| 閥體 | 鑄鐵、鑄鋼、不銹鋼鉻、鉬鋼、合金鋼 |
| 蝶板 | 鑄鋼、合金鋼、不銹鋼、鉻鉬鋼 |
| 密封圈 | 橡膠、聚四氟、聚內脂、不銹鋼 |
| 閥桿 | 2Cr13、不銹鋼、鉻鉬鋼 |
| 伸縮管 | 鑄鐵、鑄鋼、不銹鋼、鉻鉬鋼 |
| 填料 | 柔性石墨 |

| 公稱通徑 | 外形尺寸(參考值) | 法蘭尺寸和螺栓尺寸(標準值) | |||||||||||||||||
|---|---|---|---|---|---|---|---|---|---|---|---|---|---|---|---|---|---|---|---|
| H | H1 | 設計最大長度L | 設計最小長度L | 設計長度L | L2 | 0.6MPa | 1.0MPa | 1.6MPa | |||||||||||
| 毫米 | 英寸 | D | D1 | D2 | n-d | D | D1 | D2 | n-d | D | D1 | D2 | n-d | ||||||
| 50 | 2 | 325 | 240 | 163 | 138 | 151 | 265 | 140 | 110 | 88 | 4-14 | 165 | 125 | 99 | 4-18 | 165 | 125 | 99 | 4-18 |
| 65 | 21/2 | 340 | 250 | 188 | 152 | 170 | 265 | 160 | 130 | 108 | 4-14 | 185 | 145 | 118 | 4-18 | 185 | 145 | 118 | 4-18 |
| 80 | 3 | 355 | 255 | 192 | 162 | 177 | 320 | 190 | 150 | 124 | 4-18 | 200 | 160 | 132 | 8-18 | 200 | 160 | 132 | 8-18 |
| 100 | 4 | 400 | 275 | 215 | 175 | 205 | 320 | 210 | 170 | 144 | 4-18 | 220 | 180 | 156 | 8-18 | 220 | 180 | 156 | 8-18 |
| 125 | 5 | 435 | 300 | 230 | 185 | 215 | 340 | 240 | 200 | 176 | 8-18 | 250 | 210 | 184 | 8-18 | 250 | 210 | 184 | 8-18 |
| 150 | 6 | 455 | 310 | 240 | 196 | 225 | 390 | 265 | 225 | 199 | 8-18 | 285 | 240 | 211 | 8-22 | 285 | 240 | 211 | 8-22 |
主營產品:氣動調節閥 - 電動調節閥 - 自力式調節閥
版版權所有 © 上海大田閥門管道工程有限公司
地址:上海市浦東新區川宏路528號宏圖大樓5樓
